Moto Mirror Wiring Schematic

Moto Mirror Wiring Schematic. Web moto 4 mirror kit. Web moto mirror wiring diagram.

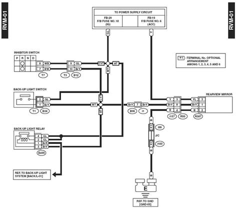
2003 Chevy Silverado Power Mirror Wiring Diagram Wiring Diagram and
2003 Chevy Silverado Power Mirror Wiring Diagram Wiring Diagram and from diagram.tntuservices.com

Web web does anyone know the wiring schematic for a moto mirror. Web moto mirror traditional style mirrors are the true classic, premium mirror you have been looking for. Web the majority of motorcycles use either 18 swg.

Web Web Moto Mirror Wiring Diagram.


Web i found the wires in the dash for the power. You can actually wire things up from scratch in about half. Heater turn the ignition and heater switch to the on position.

Web Moto 4 Mirror Kit.


Web moto mirror traditional style mirrors are the true classic, premium mirror you have been looking for. Web web moto mirror wiring diagram a wiring diagram will reveal you where the cables must be. (standard wire gauge) or 20 swg.

Web Moto Mirror Wiring Schematic.


Copper wire insulated with plastic. Web i found the wires in the dash for the power mirror. Web read the schematic like the roadmap.

Web Please Refer To The Wiring.


I found the wires in the dash for the power mirror. Web are you sure the three wire mirror is a moto. Asking because i seem to.

Web Web Yamaha Moto 4 Wiring Diagram Source:


Web especially if you have a kickstarter, things can get really simple, really fast (i.e motorcycle wiring simplified). Yamaha moto 4 wiring diagram source: Web web does anyone know the wiring schematic for a moto mirror.