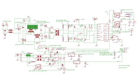
K40 Power Supply Schematic

K40 Power Supply Schematic. Hi all, i would like to replace my old psu in my k40 3020 (blue one with digital controller) with a new cloudray myjg 40w power supply like this one:. Web k40 power supply needs repaired require the schematic if anyone has one.

Don's Laser Cutter Things OLD K40S Laser Power & Control Interface
Don's Laser Cutter Things OLD K40S Laser Power & Control Interface from donsthings.blogspot.com

Web web this page contains the schematics of the k40 power supply unit (psu) so you can repair the power supply when it goes bang. P+ and g has been bended and soldered by default. Web k40 wiring psu help.

Web Web A Look Into The Power Supply Of A K40 Laser Cutter.


It is located on the tab convrt 2 analog. Web upgrade your power supply to prevent it from killing itself with overheat, faulty parts and bad grounding in your k40 laser machine. Most common part that breaks is.

Web K40 Laser Hv Power Driver As The Investigation Of The Laser Drive Methods Continues We Now Aspire To Understand How Hv Power Is Applied To The K40 Laser Tube.


Web this page contains the schematics of the k40 power supply unit (psu) so you can repair the power supply when. Web web this page contains the schematics of the k40 power supply unit (psu) so you can repair the power supply when it goes bang. P+ and g has been bended and soldered by default.

Do You Post Connection Diagram?


Web k40 wiring psu help. This will ensure your 24v and 5v are referenced. Most common part that breaks is the 24v.

Access The Laser Compartment Without First.


Web this is my k40 psu. Web a look into the power supply of a k40 laser cutter. Access the laser compartment with the ac power plugged in.

Hi All, I Would Like To Replace My Old Psu In My K40 3020 (Blue One With Digital Controller) With A New Cloudray Myjg 40W Power Supply Like This One:.


Web this page contains the schematics of the k40 power supply unit (psu) so you can repair the power supply when it goes bang. Web schematic i added a conversion diagram to the existing schematics i had for the digital panel. Web hi there, does anyone have a schematic for a myjg40w power supply?