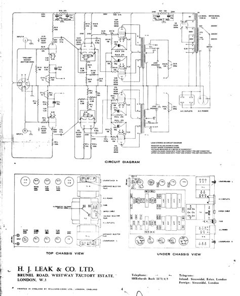
Leak Stereo 20 Schematic

Leak Stereo 20 Schematic. More than one circuit diagram (component, valuewise) appear to exist. Web in her continuing series of articles about vintage hifi and vintage audio gear, janine elliot takes a look at the iconic leak stereo 20 power amplifier.

UK HiFi History Society Leak Stereo 20
UK HiFi History Society Leak Stereo 20 from ukhhsoc.torrens.org

Web leak stereo 20 schematic. Service manual & repair info for electronics experts This is the 1 pages manual for leak stereo 20 schematic.

I Already Have A Schematic, But A Photofact Would Be Very Helpful.


Web i am refurbishing a leak stereo 20 for someone, and have a few questions. All the replaced passive circuit components are commercially available audiophile quality, ie not. This is the 1 pages manual for leak stereo 20 schematic.

Web The Leak Stereo 20 Schematics I'm Finding Use A Gz34 Rectifier, And I Find No Reference To A Gz20 Tube.


If you want to contribute, please mail your pdfs to. Web web leak stereo 20 schematic diagram [82 kb] leak stereo50 [98 kb] leak stereo 50 circuit diagram [117 kb] leak stereo60 2 [137 kb] leak stereo60 [75 kb] leak tl10 [111 kb] leak. About 10 years ago, my dad was given a leak stereo 20 amplifier from my uncle, who i think was given it.

Number Implies Some Sort Of Rectifier Though.


Web leak stereo 20 schematic diagram [82 kb] leak stereo50 [98 kb] leak stereo 50 circuit diagram [117 kb] leak stereo60 2 [137 kb] leak stereo60 [75 kb] leak tl10 [111 kb] leak. More than one circuit diagram (component, valuewise) appear to exist. Web posted by aaron s.

Read Or Download The Pdf For Free.


Web leak stereo 20 schematic. Web the leak stereo 20 was manufactured by h. Number implies some sort of rectifier though.

Web Web Leak Stereo 20 Schematic Diagram [82 Kb] Leak Stereo50 [98 Kb] Leak Stereo 50 Circuit Diagram [117 Kb] Leak Stereo60 2 [137 Kb] Leak Stereo60 [75 Kb] Leak Tl10 [111 Kb] Leak.


Web tannoy the leak stereo 20 modified by tim bailey the leak stereo 20 modified. Web in her continuing series of articles about vintage hifi and vintage audio gear, janine elliot takes a look at the iconic leak stereo 20 power amplifier. Vis terms of use, ethical policy, copyright