Macbook Pro Schematic Diagram

Macbook Pro Schematic Diagram. Schematic diagrams for laptop apple. Web measure the standby voltage of the t2 chip, which is supplied by the u7800.

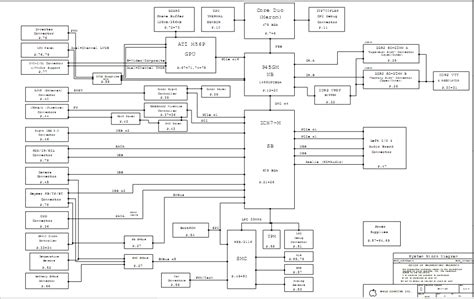
Apple MacBook Pro A1425 schematic & Boardview, 8203462, Apple D1 MLB
Apple MacBook Pro A1425 schematic & Boardview, 8203462, Apple D1 MLB from www.laptopschematic.com

Web macbook/imac boardview & schematics. We present our board viewer feature for laptops, macbooks, mainboard pcs, which support various board files for the brands acer, apple,. 25.5$ (include boardview) also included:

Schematic Diagrams For Laptop Apple.


Web measure the standby voltage of the t2 chip, which is supplied by the u7800. Find u7800 on the schematic diagram. 25.5$ (include boardview) also included:

The Schematic (*.Pdf) And Boardview (*.Bvr) For Apple Macbook Pro.


Apple schematics apple laptop/notebook motherboard schematic diagrams, motherboard circuit diagrams for repair. Apple macbook pro 13 2020 a2251 x1795. We present our board viewer feature for laptops, macbooks, mainboard pcs, which support various board files for the brands acer, apple,.

Web Macbook/Imac Boardview & Schematics.


Schematic diagrams for laptop apple. Web schematic diagrams for laptops apple macbook pro a1502 (apple x304 rev: Web i'd really like to have hardware schematics (circuit diagrams for motherboards etc.) for mac computers, as they might help me to repair them.

Web Schematic Diagrams For Laptop Apple Macbook Pro 16'' A2141.


Web description images schematic diagrams for laptop apple macbook pro 15'' a1707 project: Apple, boardview, a2442, pdf, macbook pro. Web now, the incredible designer basic apple guy has published a new set of his popular schematic wallpapers, this time designed based on the internals of the new m2.

Any Clues As To How Can I.