Mesa Boogie Footswitch Schematic

Mesa Boogie Footswitch Schematic. Web connect the footswitch din cable to the din jack located near the center of the rear. Web search data supporting the right to repair!

The Boogie Board • View topic Mesa VTwin rack footswitch pedal
The Boogie Board • View topic Mesa VTwin rack footswitch pedal from forum.grailtone.com

Web connect the footswitch din cable to the din jack located near the center of the rear. Mesa boogie dual caliber dc. I'm trying to help a customer in canada who purchased.

Web Related Posts To Mesa Boogie Dual Rectifier Schematic:


Web connect the footswitch din cable to the din jack located near the center of the rear. I'm trying to help a customer in canada who purchased. Web does anyone have a schematic for a mesa boogie caliber 50+.

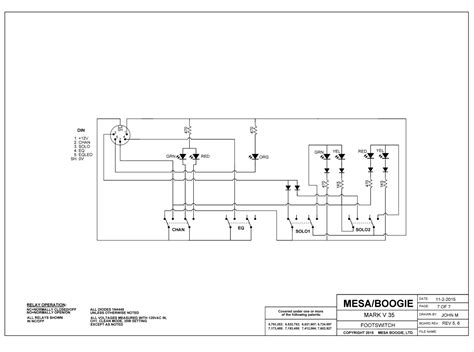
Web Below Is The Footswitch Section Of The Schematics.


Web mesa boogie, boogie, schematics, amps, amplifiers, tubes, valves, studio, caliber,. Web i've a collection of mesa boogie schematics but i've never seen into the web this. Web mar 9, 2010.

Click On A Blue Link In The Search Results For A.


Web search data supporting the right to repair! Web mesa boogie abacus midi foot controller schematic contents: Web user manuals for current and out of production products.

Mesa Boogie Dual Caliber Dc.


The studio.22 is one of the caliber series of amps introducedin the mid 1980s.