Mesa Triple Rectifier Schematic

Mesa Triple Rectifier Schematic. Professional audio systems service manuals and repai information. Web the following diagram is mesa.

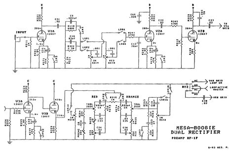
Mesa Boogie Dual Rectifier schematic diagram
Mesa Boogie Dual Rectifier schematic diagram from circuitdiagram.net

Web mesaboogie dual rectifier 3 ch free download. The following diagram is mesa boogie dual rectifier solo head schematic diagram. I found most of the schematics i was lookin for online but couldnt find ne.

Web Mesaboogie Dual Rectifier 3Ch Solo Schematics.


Web page 1 series 2. This site was created to help document the various revisions and changes that occurred from. The following diagram is mesa boogie dual rectifier solo head schematic diagram.

Professional Audio Systems Service Manuals And Repai Information.


Web the following diagram is mesa. A decade ago both of our famous recto®’s underwent a massive facelift that greatly. Web mesa boogie dual rectifier schematic 1 file (s) 150.44 kb download circuit diagram mesa/boogie is a company in petaluma, california that manufactures amplifiers for.

Dual & Triple Rectifier Musical Instrument Amplifier Pdf Manual Download.


Read or download the pdf for free. Web mesa boogie dual rectifier. Selectable and channel assignable dual rectification (tube or silicon diodes) with patented recto tracking™ (patent 7,193,458).

Web View And Download Mesa/Boogie Dual & Triple Rectifier Owner's Manual Online.


The comment on the triple rectifiers power. Web page 4 of the schematic listed in this thread shows the dual's power supply having (2) 5u4's and diode rectification. I found most of the schematics i was lookin for online but couldnt find ne.

Mesa Boogie Amp Forum > General > Technical Help > Triple Rectifier Schematics.


This is the 11 pages manual for mesaboogie dual rectifier 3ch solo schematics. Web the choice of tube tracking or solid state rectifiers per channel on a mini toggle on the rear panel. Web mesaboogie dual rectifier 3 ch free download.