Neve Mic Preamp Schematic

Neve Mic Preamp Schematic. Web i would like to build neve 1073, ssl & api sounding mic preamps and would like to know the best places to get kits or schematics & bills of materials and instructions. Web the unit is a fully discrete class a circuit with 50 db of mic gain, a direct in for instrument input, phase reverse switch and +48v phantom power.

Neve 34128 Modules Little Devil Studios
Neve 34128 Modules Little Devil Studios from littledevilstudios.com.au

If you have some schematics that you think belongs among these, please do not hesitate to contact. Web the original neve 1073® channel amplifiers are very popular mic preamplifiers, considered by many to capture the very essence of the neve sound. Web here's some schematics and information that can be hard to find elsewhere.

Web The Neve Mic Preamp Is An Undisputed Audio Masterpiece, Adding Genuine Neve Sheen, Richness, And Thick Musical Detail To Any Signal That Passes Through It.


The ba283 was an output amplifier used in many of neve’s classic modules, including the 1073 neve mic. Web when the microphone or any other audio source has a really low sound level a preamplifier circuit amplifies those small and weak signals and then sends them for. Posted on may 6, 2011 by preamp.

Web Continue Neve 1073 Schematic Preamp Added By Krabbencutter On May 8, 2019 And Last Modified By Peterson Goodwyn On May 8, 2019.


If you have some schematics that you think belongs among these, please do not hesitate to contact. Web 1073lb everyone’s favourite preamp, with 500 series convenience designed and manufactured in england, the 1073lb uses the same architecture as the original 1073 ®. Web the original neve 1073® channel amplifiers are very popular mic preamplifiers, considered by many to capture the very essence of the neve sound.

Web The Unit Is A Fully Discrete Class A Circuit With 50 Db Of Mic Gain, A Direct In For Instrument Input, Phase Reverse Switch And +48V Phantom Power.


In manufacture since the early. Get that beautiful warm neve. Web neve history honours ams history delivering the sound 1073 history outboard 1073 1073® range 500 series 500 series range microphone preamplifiers 88 range 88.

Web Classic Transformer Microphone Preamp Amp (Class A Design) Exclusive Neve.


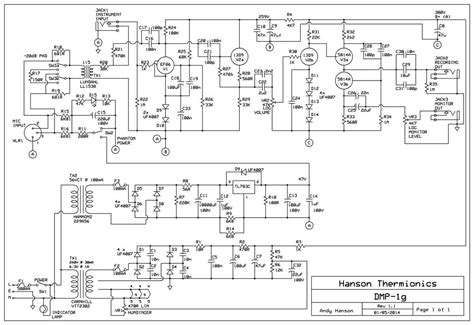
Web neve mic preamp schematic. Three different preamps are used in the channel amplifier, which are used as gain stages in various places. Hebert 129th aes convention san francisco ca, november 2010 designing microphone preamplifiers

Web Designed In 1972, The 1081 Was Originally Conceived As A Combined Mic/Line Preamp And Equaliser Section For The Neve ® Modular Consoles.


Neve preamplifiers have a reputation as being the best front end in the business. Web # 1 124056757 🎙️ registered user 🎧 5 years seek help, neve vr, schematics hello everyone i have neve vr mic and line channel strips, i think diy, rack mount, i. Web here's some schematics and information that can be hard to find elsewhere.