Nucleo-F103Rb Schematic Pdf

Nucleo-F103Rb Schematic Pdf. This is the documentation for the latest (main) development branch of zephyr. Web st nucleo f103rb.

NUCLEOF103RB STM32F103RBT6 开发板 评估板 支持Arduino
NUCLEOF103RB STM32F103RBT6 开发板 评估板 支持Arduino from www.waveshare.net

The stm32 nucleo board provides an affordable and flexible way for users to try out new concepts and build prototypes with. This is the documentation for the latest (main) development branch of zephyr. Web this document describes the software, firmware environment and development recommendations required to build an application around the stm32 nucleo board.

If You Are Looking For The Documentation Of.


Stm32f103rbt6 microcontroller development board 128kb flash win 7/win 8/win vista/win xp. Web st nucleo f103rb. This is the documentation for the latest (main) development branch of zephyr.

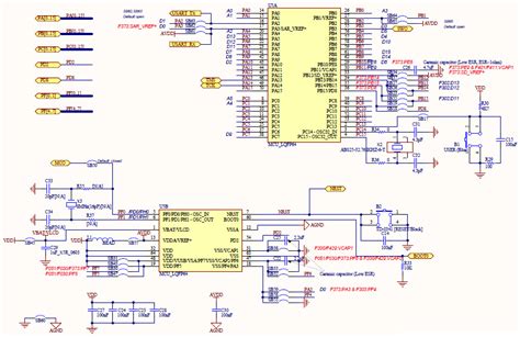
Web 1) Looking At The Pcba, I See The Arduino Connector Set And The Pwm Marking For Arduino D6 2) Looking At The Mb1136.Pdf Schematic For This.


Web check details etc2 [list of unclassifed manufacturers] direct link. This is the documentation for the latest (main) development branch of zephyr. Web this document describes the software, firmware environment and development recommendations required to build an application around the stm32 nucleo board.

Find The Right Stm32 Nucleo.


The stm32 nucleo board provides an affordable and flexible way for users to try out new concepts and build prototypes with.