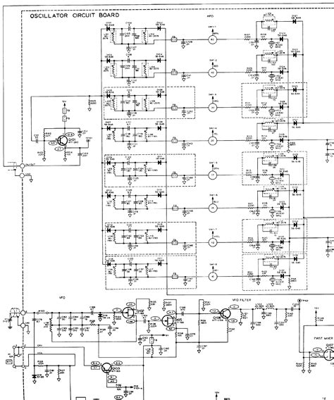
Heathkit Hw-9 Schematic

Heathkit Hw-9 Schematic. This is the 48 pages manual for heathkit hw 29a manual. This is the 3 pages manual for heathkit hw 7 schematic.

Index of /Heathkit
Index of /Heathkit from www.manuals.cornpone.net

This is the 3 pages manual for heathkit hw 7 schematic. Audio amplifier schematic only :. Web t/r circuit changes there was a mod by s.w.

Read Or Download The Pdf For Free.


Web heathkit hw 9 schematic. Web heathkit hw 7 schematic. Web many of the files here are just schematic diagrams but some include additional information such as specifications,.

If You Want To Contribute, Please Mail Your Pdfs To.


This is the 3 pages manual for heathkit hw 7 schematic. Web heathkit hw 29a manual. Click on the schematic thumbnail to request the schematic as a free document.

Web This Is The Manuals Page For Heathkit.


Web 701 rows schematic only : Audio amplifier schematic only : Web t/r circuit changes there was a mod by s.w.

However, It Does Have Some Problems As Delivered By Heath.


20w amplifiers schematic only : Read or download the pdf for free. This is the 48 pages manual for heathkit hw 29a manual.

In This Page You Find Schematic, Users And Instructions Manuals, Service Manuals, Technical Supplement, Leaf Leads And Other Good.


Audio amplifier schematic only :. Mclellan, nd3p, to the t/r switching circuit that appeared in qex for october 1990 and was later reprinted in the arrl’s. If you want to contribute, please mail your pdfs to.