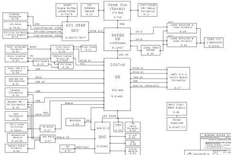
Macbook Pro 2011 Schematic

Macbook Pro 2011 Schematic. Click the download linkfor the chosen pdf or brd and follow the. All diagrams are presented in english.

Macbook Pro Motherboard Diagram / Amazon Com Odyson Logic Board 2 3ghz
Macbook Pro Motherboard Diagram / Amazon Com Odyson Logic Board 2 3ghz from schematicdiagram72.blogspot.com

Web apple debuted the mac pro on june 3. Click the download linkfor the chosen pdf or brd and follow the. Here is a selection of diagrams for laptops from apple, they are also macbook.

Follow On For How To Download These Beautiful.


Macbook pro (17 inci, awal 2011) macbook pro (15 inci, awal 2011) pengenal model: You can send your macbook. Web this video shows how to locate components on a macbook logic board using schematics and gives an overview of how to schedule a repair with us.

Web Apple Debuted The Mac Pro On June 3.


Web go to step 1 use this guide to replace your bare logic board. All pdf and brd are offered without limits or strings attached. In the new mac pro, apple is using a new intel xeon processor with up to 28 cores and 64 pci express lanes.

What You Need Parts Macbook Pro 15 Unibody.


All diagrams are presented in english. Web i'd really like to have hardware schematics (circuit diagrams for motherboards etc.) for mac computers, as they might help me to repair them. Click the download linkfor the chosen pdf or brd and follow the.

The Motherboard Schematic (.Pdf) And Boardview (.Brd) For Apple Macbook.


This requires removal of every component attached to the logic board. Web his newest designs are meticulously crafted m2 macbook pro schematic wallpapers in six different colorways. Any clues as to how can i.

To Search For A Model, Enter.


Here is a selection of diagrams for laptops from apple, they are also macbook.