Midi To Cv Schematic

Midi To Cv Schematic. Midi to cv parts list; Web midi to cv schematic;

301 Moved Permanently
301 Moved Permanently from obsoletetechnology.wordpress.com

I am looking for a fairly simple (if it exists). Midi to cv source code. Schematics and code unrelated activities 20.3k subscribers join subscribe 40 1.6k.

In Addition To The Usual Gate And Pitch Cv As You Would Expect From.


Schematics and code unrelated activities 20.3k subscribers join subscribe 40 1.6k. Stl files are also included for a 3d printed case. Web arduino midi to cv (control voltage) converter for modular analog synthesizer:

Web Figure 2 Midi To Cv Convertor Clock Generation.


Midi to cv parts list; With the right pwm configuration you can. This project has the following.

Web Midi To Cv Schematic;


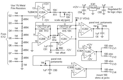
Web #1 i just built a 10 step sequencer based on the vos sequencer and would like to be able to control a midi device with it. Midi to cv convertor serial to parallel conversion we are going to use ic12 and ic14. Midi to cv converter created date:

Midi To Cv Pcb Layout;


“midi to cv converters don’t have to be expensive,” says brian. Figure 3 shift register clock diagram. Web specifically, we'll discuss:

Midi To Cv Source Code.


Before midi came along, there were various different means by. Converts midi notes to a monophonic control voltage using a dac such as the. Web the mst midi to cv converter is a translator between digital devices and analog synths, allowing you to connect your modular system to a keyboard, computer, phone or tablet.